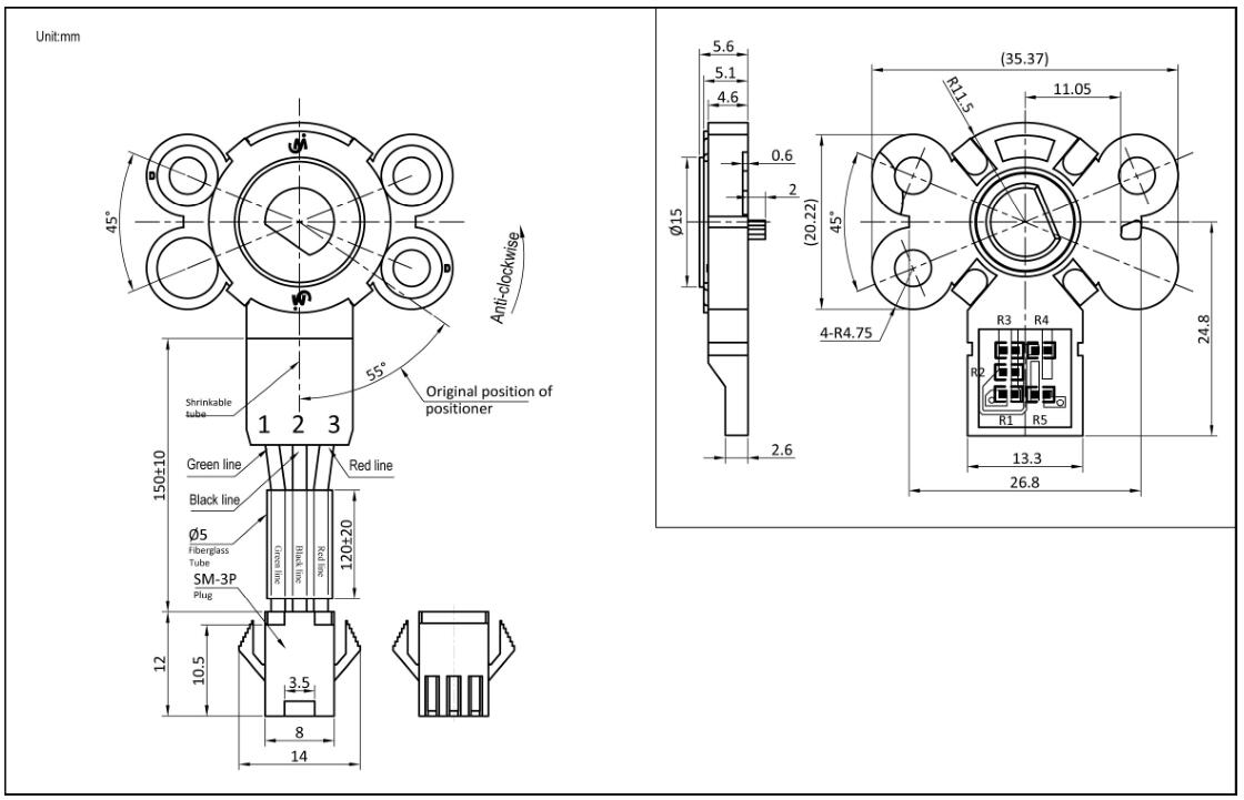
| 型号 | R22002XXBXXX |
|---|---|
| 联数 | 单联 |
| 安装方向 | 立式 |
| 轴套安装方式 | |
| 轴心类型 | N/A |
|
|
|
| 轴心长度 | N/A |
|---|---|
| 中心定位点 | N/A |
| 总阻 | 35kΩ |
| 线性 | 可选择 |
| 使用温度范围 | -10℃-+70℃ |
|
|
|
电气性能 |
||
|---|---|---|
| 总阻误差 | 口±10% 口其他 | |
| 额定功率 | 0.1W | |
| 最大使用电压 | 50V AC, 12V DC | |
| 残留电阻 | 20Ω max. | |
| 旋转噪音 | ||
| 绝缘电阻 | 100MΩ min., 250V DC | |
| 耐电压 | 250V AC 1 分钟 | |
|
|
|
|
机械性能 |
||
|---|---|---|
| 总旋转角度 | 360° | |
| 旋转力矩 | 2~10mN.m | |
| 止动强度 | N/A | |
| 推拉强度 | ||
| 振荡 | 10至55至10Hz / 分钟。,所有频率在X,Y和Z方向上的振幅均为1.5mm,持续2小时 | |
|
|
|
|
| 耐久性 | 寿命 | 15.000 次 |
|---|---|---|
| 最小起订量 | 1.000pcs |

中文
English