| 型号 | RM10093NOXXXX |
|---|---|
| 联数 | 单联 |
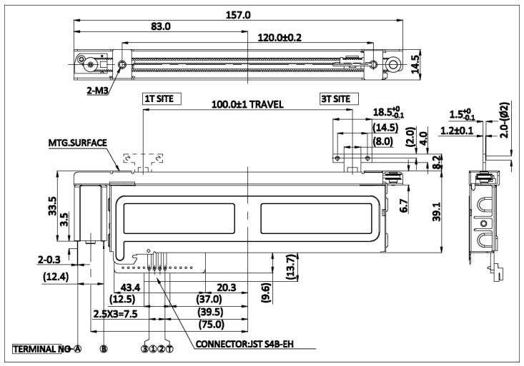
| 推柄方向 | 请参考下图详情 |
| 行程 | 100mm |
| 类型 | 马达电位器 |
| 推柄类型 | 如图 |
|
|
|
| 推柄长度 | 可选择 |
|---|---|
| 总阻 | 10K |
| 线性 | 可选择 |
| 端子类型 | PCB 安装 |
| 是否带触感 | 口是 口否 |
| 使用温度范围 | -10℃-+70℃ |
|
|
|
电气性能 |
||
|---|---|---|
| 总阻误差 | ☐±20% ☐其它 | |
| 额定功率 | 0.05W | |
| 最大使用电压 | 50V AC, 10V DC | |
| 马达额定电压 | 10V DC | |
| 马达最大电流 | 小于800MA | |
| 滑动噪音 | 小于 100mV | |
| 绝缘电阻 | 100MΩ min., 250V DC | |
| 耐电压 | 250V AC 1分钟 | |
|
|
|
|
机械性能 |
||
|---|---|---|
| 操作力矩 | 0.8 ±0.5N | |
| 止动强度 | 100N.m | |
| 推柄推拉强度 | 50N | |
| 推柄摇摆度(2边) | 1.3mm | |
| 推柄偏差(一边) | 0.5mm max | |
|
|
|
|
| 耐久性 | 寿命 | 100.000 ±2.000 次 |
|---|---|---|
| 最小起订量 | 80pcs |

中文
English


