机械性能 |
||
|---|---|---|
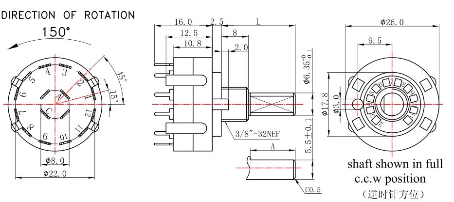
| 旋转角度: | 300°±5° | |
| 旋转力矩: | 800~1500gf.cm | |
| 止动强度: | 8Kgf.cm MIN | |
| 推拉强度: | ||
| 轴摆动: | ||
| 轴套螺纹紧固强度: | ||
| 轴向间隙: | ||
| 轴的回转方向摆动: | ||
| 定位点力矩: | ||
|
|
|
|
电气性能 |
||
|---|---|---|
| 额定功率: | ||
| 极数: | □2 □3 □4 □6 □12 | |
| 段数: | □2 □3 □4 □6 □12 | |
| 耐电压: | AC500V(50~60HZ) 1分钟 | |
|
|
|
|
耐久性 |
||
|---|---|---|
| 盐雾试验: | ||
| 寿命: | ||
|
|
|
|

中文
English


