| 型号 | E1130XX1V2 |
|---|---|
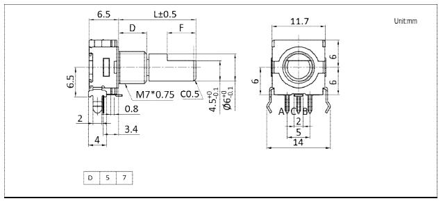
| 安装方向 | 卧式 |
| 轴心类型 | 可选择 |
| 轴心长度 | 可选择 |
| 定位点数 | 15/20/30 |
|
|
|
| 脉冲 | 15/20 |
|---|---|
| 按压开关 | 不带 |
| 旋转开关 | 不带 |
| 使用温度范围 | -40℃-+85℃ |
|
|
|
电气性能 |
||
|---|---|---|
| 额定电流,电压 | 10mA 5V DC | |
| 输出信号 | 波形 A和B | |
| 最大,最小使用电流 | 10mA/1mA | |
| 绝缘电阻 | 100MΩ min., 250V DC | |
| 耐电压 | 300V AC 1 分钟 | |
|
|
|
|
机械性能 |
||
|---|---|---|
| 旋转力矩 | 10±7mN.m | |
| 推拉强度 | 100N | |
|
|
|
|
按压开关规格 |
||
|---|---|---|
| 操作力钜 | 10±7mN.m | |
| 额定电流电压 | 10mA 5V DC | |
| 接触电阻 使用初期 寿命使用完后 | ||
| 使用寿命 | 30000 周 | |
|
|
|
|
| 耐久性 | 寿命 | 30,000 周 |
|---|---|---|
| 最小起订量 | 1.000pcs |

中文
English





