| 型号 | R2300NOXCC1 |
|---|---|
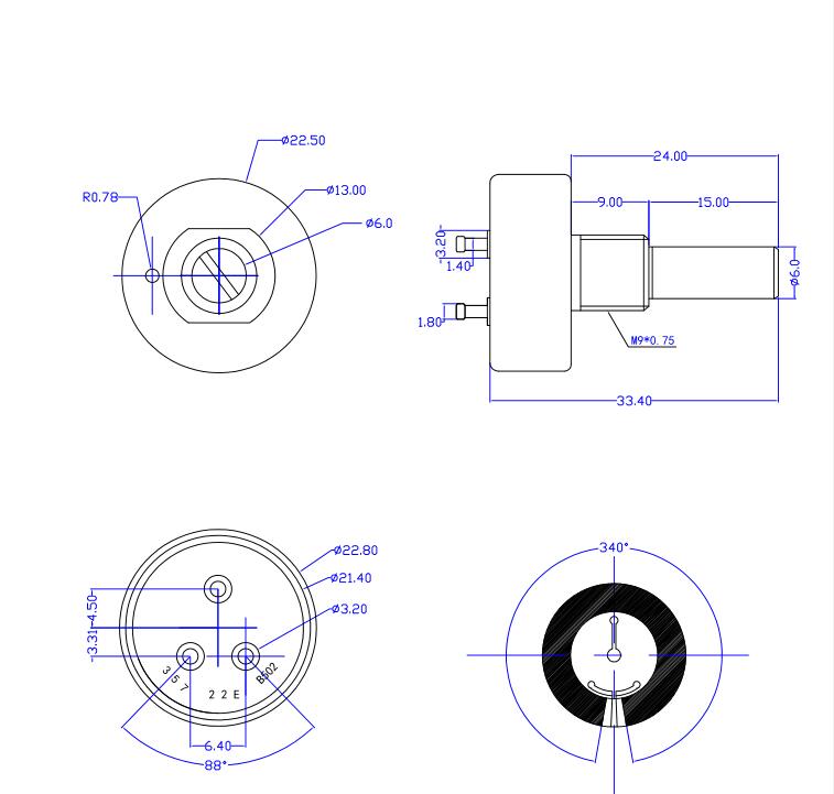
| 联数 | 单联 |
| 安装方向 | 立式 |
| 轴套安装方式 | 螺母 |
| 轴心类型 | 可定制 |
|
|
|
| 轴心长度 | 可定制 |
|---|---|
| 中心定位点 | N/A |
| 总阻 | 500Ω-1.000kΩ |
| 线性 | 可选择 |
| 使用温度范围 | -10℃-+60℃ |
|
|
|
电气性能 |
||
|---|---|---|
| 总阻误差 | ±10% ±20% ±30% □ 其他 | |
| 额定功率 | B 线性 0.25W | |
| 最大使用电压 | B: AC 50 V; □other:AC 12 V | |
| 残留电阻 | 20Ω max. | |
| 旋转噪音 | 小于 100mV | |
| 绝缘电阻 | 100MΩ min 100VDC | |
| 耐电压 | 300V AC1 分钟 | |
|
|
|
|
机械性能 |
||
|---|---|---|
| 总旋转角度 | 360° | |
| 旋转力矩 | 20_gf. ㎝ ~__50_ gf. ㎝ | |
| 止动强度 | 0 | |
| 推拉强度 | Push: _0.5_kgf.cm Min; pull: _0.2_kgf.cm Min | |
| 振荡 | ||
|
|
|
|
| 耐久性 | 寿命 | 15000 周 |
|---|---|---|
| 最小起订量 | 500pcs |

中文
English